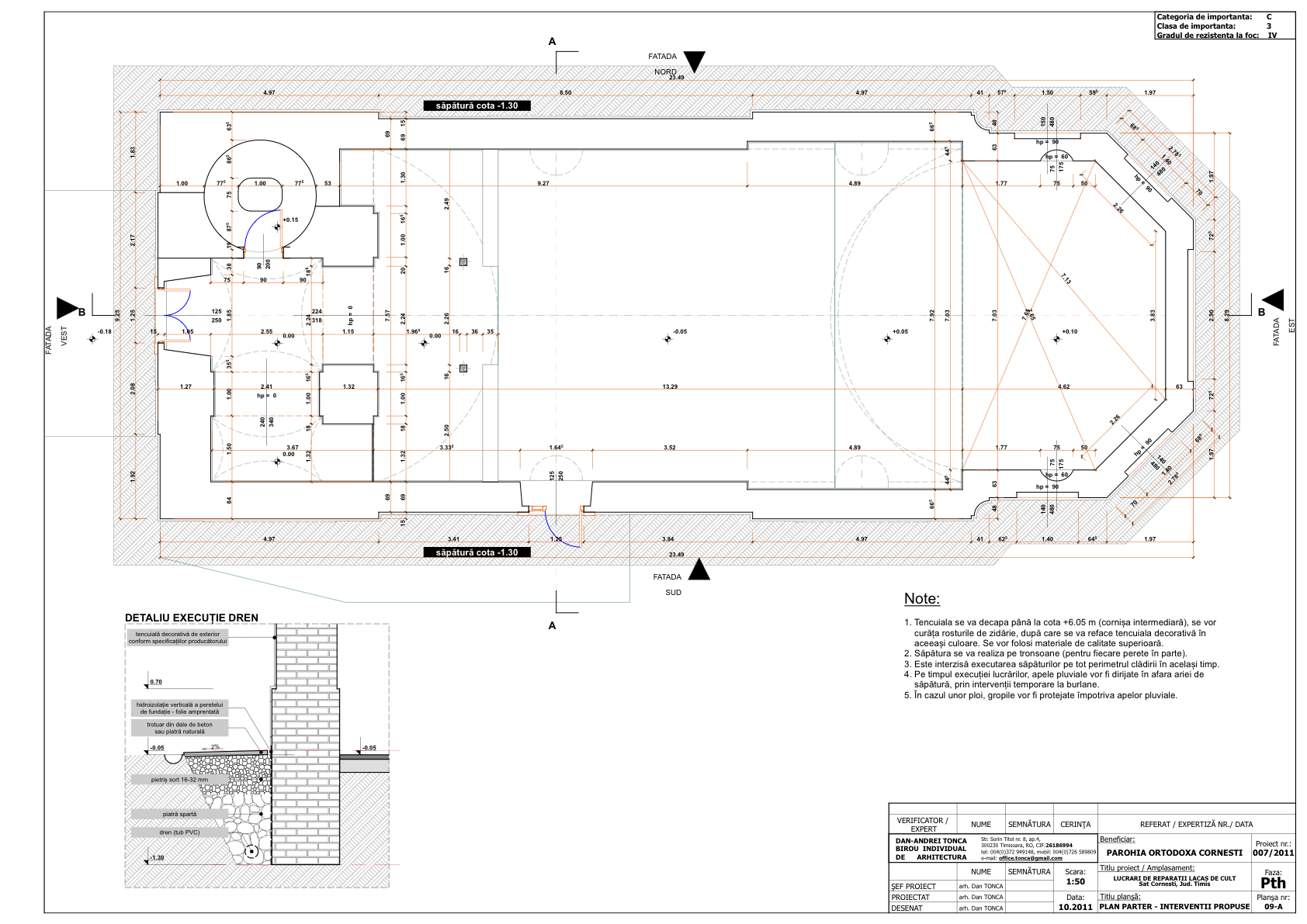
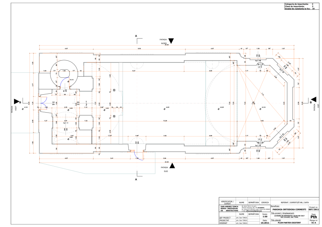
Lucrări de reparații lăcaș de cult

AMPLASAMENT: SAT CORNEȘTI, COM. ORȚIȘOARA, JUD. TIMIȘ

SUPRAFAȚA: 270,7

ANUL: 2012

ARHITECTURA: DAN-ANDREI TONCA

FOTO: DAN-ANDREI TONCA

VALOAREA DE INVESTIȚIE: NA

STADIU: PROIECT

DSC_7081 DSC_7093
DSC_6995 DSC_6993 DSC_6992 DSC_6975 DSC_6974 DSC_6962 DSC_6952 DSC_6951 DSC_6946 DSC_6938 DSC_6937 DSC_6920

01 02 03 04 05 06 07 08 09

















Lasă un comentariu